Svenska Spårvägsföreningen/Lokaltrafikföreningen

Denna organisation för lokaltrafikföretag startade 1905 som Svenska Spårvägsföreningen. 1935 hade även andra trafikmedel än spårvagnar kommit in i bilden, och man bytte namn till Svenska Spårvägs-, Buss- och Förortsbaneföreningen. 1943 infördes det enklare namnet Svenska Lokaltrafikföreningen SLTF, och 2008 blev det Svensk kollektivtrafik.

Historik

Föreningen publicerade under många år referat och föredrag från sina årsmöten. Några av dessa artiklar kan läsas nedan. Publiceringen sker med stöd av att SLTF i sin tidskrift Svensk lokaltrafik angav att  "Artiklarna får återges om källan nämns". Svensk lokaltrafik utkom 1954 - 1993.


Svenska Spårvägsföreningen. Årsmöte i Uppsala den 23 - 24 september 1927

Mötesreferat, protokoll, berättelse för 1926, stadgar mm

Uppsala spårvägar   (Ångström)   Delar av sidor saknas.

Strömåtervinning   (Engdahl, SS samt Tisell)

Spår och ledningar   (Lange, Hälsingborg)

Olika bromssystem vid spårvägar   (Engdahl, SS)

Luftbromsar vid lokalbanor   (Lindholm, SRJ)

Tryckluftbromsen "Transit", system Holmberg - Anderberg

Bromsfrågan vid elektrisk spårvägsdrift, inledningsanförande   (Ångström)

Försöksresultat med olika bygeltyper och kontaktskenor vid Göteborgs Spårvägar   (Malmer)

Samarbete mellan spårvägar och omnibussar   (Hellgren, SS)

Järnvägs- och automobiltrafikkonferensen i Stockholm den 23 -25 maj 1927

Omnibussen och dess utveckling   (Lange, SCO)

Svenska Spårvägsföreningen. Årsmöte i Hälsingborg den 17 - 18 augusti 1928

Protokoll, berättelse för 1927, hälsningsanförande mm

Hälsingborgs spårvägar 25 år   (Lange)

Enmansvagnar   (Hultman, Malmö)

Biljettapparat från Hänel & Schwarz, Berlin-Neukölln

Apparat för märkning av spårvägsbiljetter (Hälsingborgs spårvägar)

Åtgärder för spårvägsdriftens ekonomisering   (Reuterswärd, GS)

Underbyggnad för spårvägsspår i gator   (Gripe, SS)

Överbyggnad för spårvägsspår i gator   (Vidlund, GS)

Olika upphängningssystem för kontaktledningar   (Arding, SS)

Rullande materiel, verkstäder och hallar   (Engdahl, SS)

Järnvägar och omnibussar inom lokalbaneområden   (Nerell, SRJ)

Omnibusstyper vid Stockholms Centrala Omnibussaktiebolag   (Magnuson, SS)

Svenska Spårvägsföreningen. Årsmötet i Göteborg den 23 - 24 september 1929

Protokoll, berättelse för 1928, yttrande över förslag till ny motorfordonsförordning mm

Göteborgs Spårvägar under 50 år   (Reuterswärd, GS)      Karta 1929

Lokaltrafikens utveckling i Sundsvall och dess industridistrikt

Axbergerlåset, ny förreglingsanordning för spårväxlar   (Axberger, SS)

Spår och ledningar (Spårväxlar, rälskvalitéer)   (Lange, Helsingborg)

Rullande materiel, verkstäder coh hallar   (Grotte, SSnJ)

Vagnbyggnader vid Stockholms Spårvägar   (Hjorth, SS)

Moderna omnibusstyper   (Lange, SS)

Anförande i omnibussfrågan   (Lindmark, Scania-Vabis)

Helautomatiska omformarestationer för bandrift   (Ångström, Uppsala)

Svenska Spårvägsföreningen. Skandinaviska spårvägs- och lokalbanemötet i Stockholm den 27 - 30 augusti 1930

Protokoll, styrelseberättelse för 1929 mm

Lokaltrafiken i Stockholm   (Hellgren, SS)       Plansch 1  Linjenät 1930       Plansch 2  Framtida innerstadsnät med Västerbro och Blasieholmsled

Lokaltrafiken i Köpenhamn   (Juel-Hansen, KS)      Plansch 1      Plansch 2 - 5

Lokaltrafikken i Oslo   (Samuelsen, OS)

Lokaltrafiken i Helsingfors   (Idström, Helsingfors spårvägar)

Olika slag av spårvägs- och omnibusstaxor   (Reuterswärd, GS)

Nya vagntyper i spårvägs- och omnibussdrift   (Hultman, MSS)

Kraftekonomi vid olika trafikmedel   (Ångström, Uppsala)

Forsøg med forskellige bremsesystemer for sporvogne ved Københavns sporveje   (Balslev, KS)

Våra trafikmål   (Augustinsson, SS)

Tre års utvikling av busstyper ved A/S Oslo Sporveier   (Isdahl, OS)

Drift med trolleyomnibusser   (Angelo, NESA)

Prov med Hesselmanmotorn i Stockholms Spårvägars omnibussdrift   (Lange, SS)

Svenska Spårvägsföreningen. Årsmötet i Malmö den 29 - 30 maj 1931

Industribesök, program, protokoll, styrelseberättelse för 1930 mm

Utvecklingen av spårvägstrafiken och stadens omnibusstrafik i Malmö   (Hultman, MSS)      Plansch I karta

Staden - lokaltrafiken - allmänheten   (Wallin, ordf i SS styrelse)

Likriktarinstallation Saltsjöbanan, tekniska och ekonomiska resultat   (Grotte, SSnJ)

Reshastigheten vid spårvägar   (Lange, HSS)

Olika förortstrafiksystem   (Nerell, SRJ)      Plansch II årsbiljettpriser vid olika trafikföretag

Hjul och skena   (Bergman, Malmö)

Strömåtervinning i spårvägsdrift, ekonomiska och tekniska synpunkter   (Åkerman, Asea)

Stockholms Spårvägars nya omnibussgarage   (Lange, SS)

Stålkarosser för omnibussar

Svenska Spårvägsföreningen. Årsmötet i Sundsvall den 22 - 24 augusti 1932

Program, spårvägskartor Sundsvall, protokoll, styrelseberättelse för 1931 mm

Utveckling av spårvägstrafiken inom Sundsvall och dess industridistrikt   (Lindén, Sundsvalls spårvägar)

Skönviksbanan - den nya likriktarestationen   (Lamm, Asea)

Skönviksbanan - de nya vagnarna   (Åkerman, Asea)

Några detaljer vid tillverkning av spårvagns- och omnibusskarosserier   (Hägglund, Hägglund & Söner). Bl a om vagnar till Skönviksbanan

Några viktiga frågor vid spårvägskongressen i Haag   (Lange, HSS)

Rullande materiel, verkstäder och hallar   (Hultman, MSS)

Michelinevagnen   (Lindholm, SRJ)

Om trafikmedel i andra världsdelar   (Rosén, SS)

Olika förbränningsmotorer för omnibussdrift   (Björck, SS)

Omnibusstrafiken och nya omnibusscentralen i Sundsvall   (Engström, Sundsvall)

Svenska Spårvägsföreningen. Årsmötet i Norrköping den 1 - 2 september 1933

Program, protokoll, styrelseberättelse för 1932

Linjetrafiktillstånd, yttrande över motioner i Riksdagen

Statistiska uppgifter för 1929 - 1932

Norrköpings kommunala affärsverk   (Andersson, Norrköpings spårvägar)      Karta

Rundradiostörningar från spårvagnar

Vissa nykonstruktioner å bussar, provade vid Stockholms Spårvägar   (Wickström, SS)

Rullande materiel, verkstäder och hallar   (Hultman, Malmö spårvägar)

Trafikintryck från en resa till Amerika sommaren 1933   (Hultman, Malmö spårvägar)

Aktuella skadeståndsspörsmål vid spårvägs- och busstrafik   (Augustinsson, SS)

Stads- och förortstrafik vid Världskraftkonferensen i Stockholm 1933   (Ångström, Uppsala spårvägar)

Trafikpersonalens tjänstgöring å vagnarna   (Tengblad, SS)

Svenska Spårvägsföreningen. Årsmötet i Gävle den 7 - 8 september 1934

Program, protokoll, styrelseberättelse för 1933

Statistiska uppgifter för 1932 - 1933

Gävle Stads Spårvägar   (Mortimer, Gävle spårvägar)

Internationella spårvägskongressen i Berlin 1934   (Lange, Hälsingborgs spårvägar)

Internationella elektriska kommissionens (IEC) normeringsarbeten rörande elektrisk banmateriel samt de nya svenska normerna för banmotorer   (Körner)

Automatisk anordning för central registrering av spårvagnars ankomst- och avgångstider   (Hultman, Malmö spårvägar)

Tunnelbanan Skanstull - Slussen   (Gripe, SS)

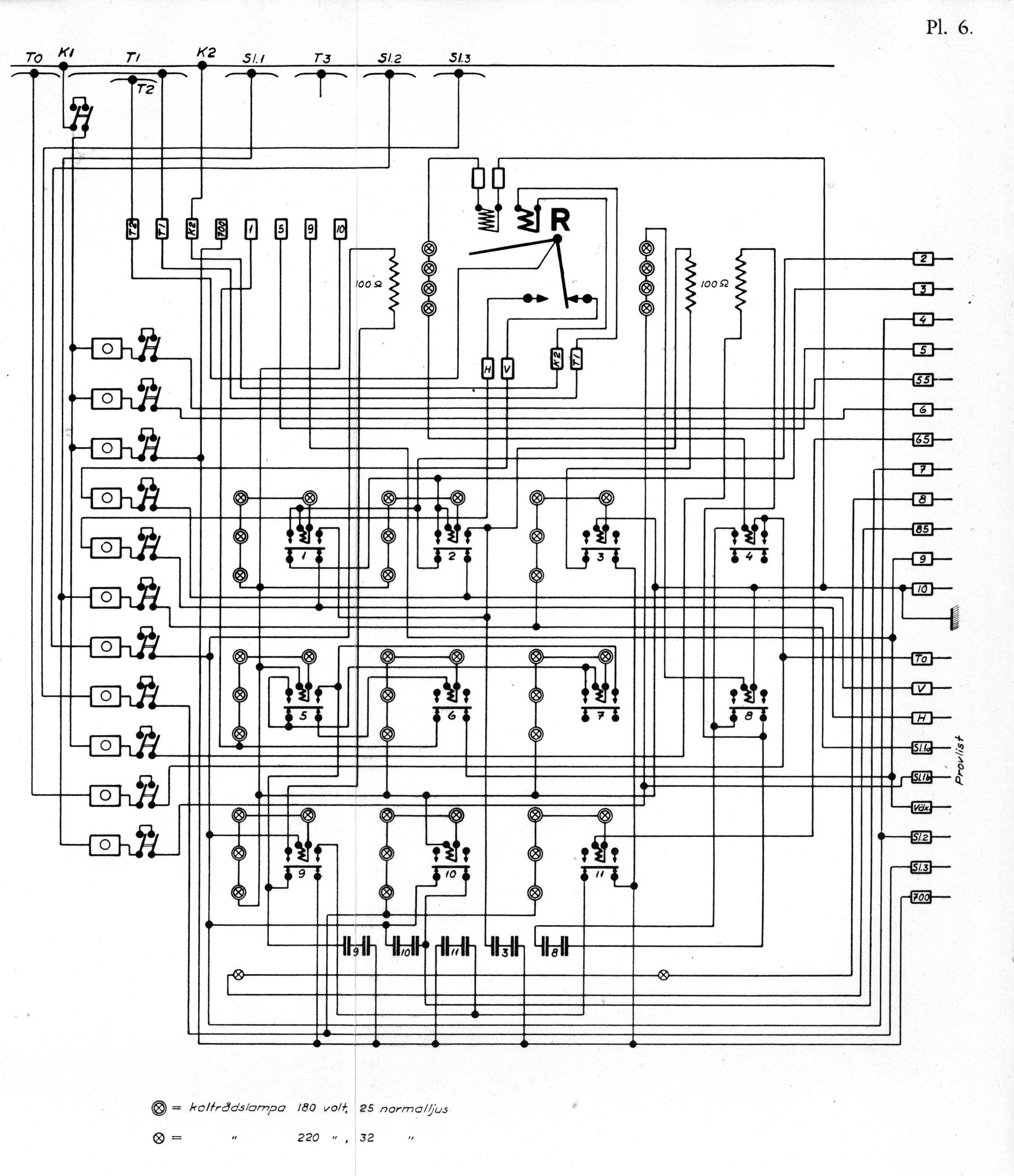
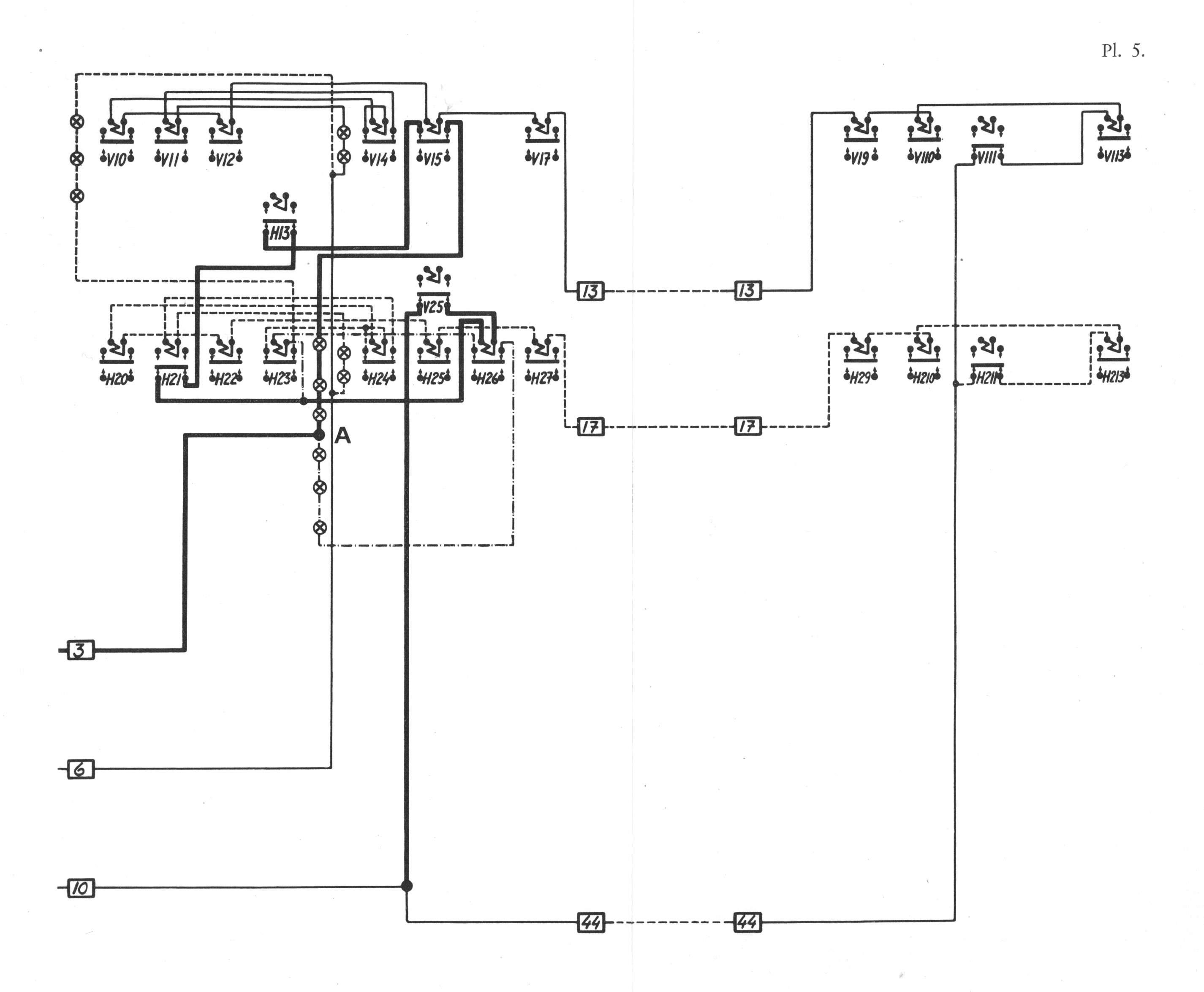
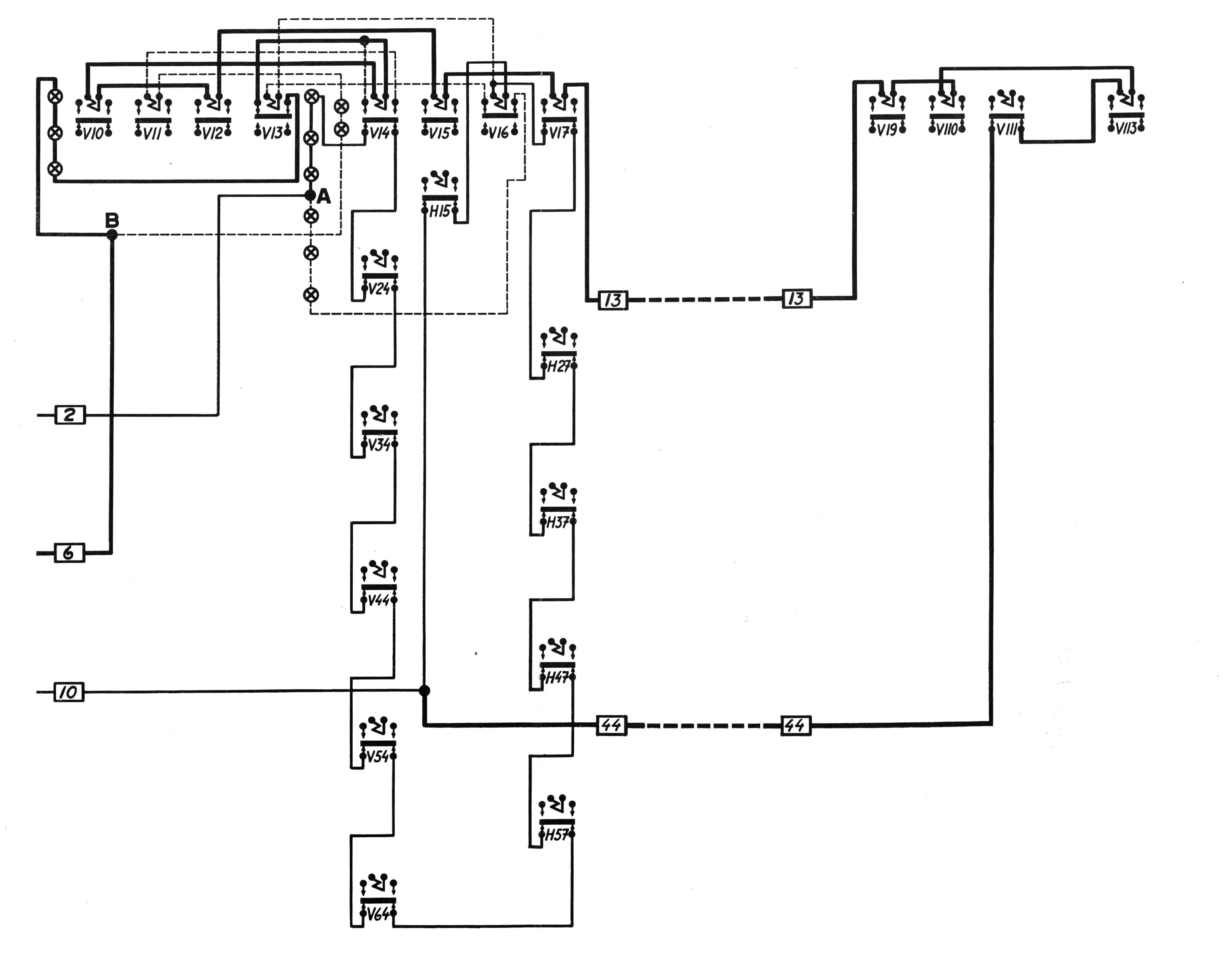
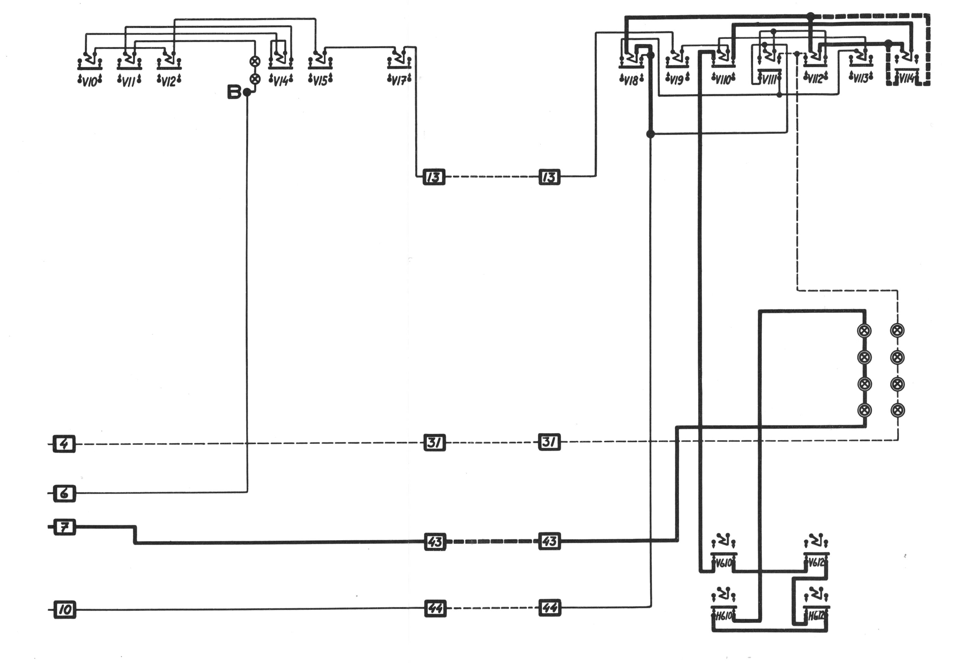
Nytt elektriskt system för automatisk omläggning av spårväxlar vid slussområdet i Stockholm   (Engdahl, SS)       Plansch 1       Plansch 2       Plansch 3       Plansch 4       Plansch 5       Plansch 6       Plansch 7

Rullande materiel, verkstäder och hallar   (Hultman, Malmö spårvägar)

Stockholms spårvägars bussgarage. Erfarenheter från två års drift   (Lange, SS)

Trolleybussen   (Vidlund, GS)

Kraftekonomi vid trolleybussdrift och ett förslag till en ny trolleybuss   (Ångström, Uppsala spårvägar)

Sammanträdet i Köpenhamn den 24 november 1934

Automatisk kontrollerbetjening   (Juel-Hansen, KS)

Erfaringer og Teori om Haandbremser, Bivognsbremser og Skinnebremser   (Otto Möller, KS)

Skifter og Krydsningen. Konstruktion og Fremstilling   (Christophersen, KS)

Termitsvejsning og Termitfremstilling   (Christophersen, KS)

Refuger   (Christophersen, KS)

Fremstilling af Sporvogne paa egne Værksteder   (Flindt, KS)

Svenska spårvägs-, buss- och förortsbaneföreningen. Årsmötet i Stockholm den 5 - 7 september 1935

Protokoll, styrelseberättelse för 1934, yttrande över Vägtrafikssakkunnigas förslag till högertrafik mm

Statistiska uppgifter för 1933 - 1934

Stockholm, utvecklingsplaner för lokaltrafiken   (Hellgren, Stockholms spårvägar). Sidorna 50 och 52 är blanka i originalet.

Motorvagnar i järnvägarnas lokaltrafik   (Nerell, SRJ)

Moderna motorer och deras placering i nyare busstyper   (Björck, Stockholms spårvägar)

Rullande materiel - standardisering av bussar   (Hultman, Malmö spårvägar)       Bilagor 1 och 2       Bilagor 3 och 4       Bilagor A och B

Nya spårvagnar i Milano, Köpenhamn, Brüssel och Bologna   (Hjorth, Stockholms spårvägar)

Spårvägsväxlar och korsningar, särskilt med hänsyn till materialet   (Bellander, GS)

Vänster- eller högertrafik i Sverige?   (Augustinsson, SS)

Banmateriel på internationella elektrotekniska kommissionens möte   (Körner)

Lättare banmateriel på Brüsselutställningen 1935   (Körner)

Äro strömmätare å spårvagnar behövliga?   (Engdahl, SS)

Minnesanteckningar om huvudstadens lokaltrafik genom tiderna   (Wallin, SS styrelse)

Svenska spårvägs-, buss- och förortsbaneföreningen. Årsmötet i Karlskrona den 18 - 20 juni 1936

Program, protokoll, styrelseberättelse för 1935 mm

Statistiska uppgifter för 1934 - 1935

Trafikmedel i Karlskrona förr och nu   (Tham, Karlskrona spårvägar)

Rullande materiel, verkstäder och hallar   (Hultman, Malmö spårvägar)

Lokaltrafik och reshastighet   (Enell, GS)

Lättmetallers användning å förortsbanevagnar, spårvagnar och bussar   (Ångström, US)

Rationalisering vid underhållsarbetet å spårvagnar   (Hedström, SS)

Trådbussar   (Björck, SS)

Trafikintryck från Sydamerika   (Ståhle)

Register för tioåprsperioden 1927 - 1936

Svenska Spårvägs-, Buss- och Förortsbaneföreningen. Årsmötet i Göteborg den 3 - 4 september 1937

Mötesreferat, protokoll, berättelse för 1936 mm

Lag om hittegods; yttrande över förslag

Statistiska uppgifter för 1935 - 1936

Lokaltrafiken i Göteborg (Reuterswärd) mer busstrafik - nu med konduktörer, dubbelspår till Mölndal, vagnhallar, Götaälvbron, snabbspårvägar

Ersättande av spårvagnar med bussar i Paris och några andra europeiska städer (Ångström)

Elektrifiering av Roslagsbanans förortsbanelinjer

Körriktningsvisare på spårvagnar

Rullande materiel, verkstäder och hallar (mest om bussar)

Internationella spårvägs-, buss och lokalbanekongressen i Wien 1937  vibrationer, radiostörningar, nya trådbussanläggningar i Storbritannien, OS i Berlin, bussmotorer mm

Ny boggievagn för Göteborgs Spårvägar (Vidlund)

Roslagsbanans busstrafik

Trådbussar i Sverige  (men mest i England)

Nordisk sporveis- og lokalbanemøte. Svenska Spårvägs-, Buss- och Förortsbaneföreningen, ordinarie föreningsstämman i Oslo juni 1938

Deltagarlista. Deltagande damer. Referat. Protokoll. Berättelse för 1937 mm

Statistiska uppgifter för 1936 - 1937

Oversikt over trafikforholdene i og omkring Oslo

Forslag til ny Færdselsaare til Aflastning af Nørrebrogade i København

Spårvägs- och omnibustrafiken i Helsingfors

Trafikförhållandena i Stockholm   (Åström, SS)  Bussar, förortsbanor, avveckling av de inre spårvägslinjerna

Litt om takstordninger  Norge, Sverige, Köpenhamn

Bensin- och brännoljebussar  (Lange, Stockholms Spårvägar)

Københavns Sporvejes Trolleybusser

A/S Oslo Sporveiers nye sporvogner   Gullfisker

De nye boggi-sporvogners elektriske utstyr  (Amundsen, Oslo Sporveier)

Trondheim Sporveis nye sporvogner  (Kleven)

Svenska Spårvägs-, Buss- och Förortsbaneföreningen. Årsmötet i Jönköping december 1939

Deltagare, protokoll, berättelse för 1938 mm

Statistiska uppgifter för 1937 - 1938

Några uppgifter om Jönköping stads spårvägar och bussar  (Linse)

Metoder för undertryckande av radiostörningar från spårvagnar och trådbussar  (Lemoine)

Stockholms Spårvägars garageanläggning vid Hornsberg

Ombyggnad av bussar för högertrafik samt förberedelser härför  (Sandblom, Malmö spårvägar)

Trådbussar och andra frågor vid internationella spårvägs-, buss- och förortsbanekongresseni Zürich - Bern 1939  (O Lange)

Inhemska bränslen för bussdrift  ( T Lange)

Luftskyddet vid lokaltrafikföretag  (Åström)

Svenska Spårvägs-, Buss- och Förortsbaneföreningen. Årsmötet i Göteborg den 20 november 1940

Deltagare, protokoll, berättelse för 1939 mm. Skrivelse om skattelindring för gengasfordon

Statistiska uppgifter för 1938 - 1939

Lokaltrafiken i Göteborg under kristid   (Reuterswärd)

Erfarenheter från Göteborgs första trådbusslinje   (Vidlund)

Aktuella taxeproblem   (Åström, Stockholm)

Gengasdrift med bussar   (Hultman, Malmö)

Kombinerad trafik   (Ångström Uppsala) Spårvagn och buss/trådbuss

Svenska Spårvägs-, Buss- och Förortsbaneföreningen. Årsmötet i Halmstad den 22 och 23 augusti 1941

Program, deltagare, protokoll, berättelse för 1940 mm

Busstrafiken i Halmstad med omnejd

Utsikterna till upprätthållande av den lokala busstrafiken under vintern 1941 - 1942  (Granholm)

Prissättning av elektrisk energi för spårvägs- och trådbussdrift

Erfarenheter av trådbussdriften i Stockholm

Erfarenheter av trådbussdriften i Göteborg

Rullande materiel, verkstäder och hallar  Trådbuss, gengas

Gassvetsning av skenskarvar  Bellander, Göteborg

Yttrande över 1939 års högertrafikkommittés betänkande. Lägre skatt för trådbussar. Bestämmelser för yrkesmässig biltrafik mm

Statistiska uppgifer för 1939 - 1940

Adressförteckning

Omläggningen till högertrafik i Budapest  Reseberättelse (Samuelson)

Svenska Spårvägs-, Buss- och Förortsbaneföreningen. Årsmötet i Västerås den 4 och 5 september 1942

Program, deltagare, protokoll, berättelse för 1941 mm

Västeråsbygdens trafikproblem

Spårvagnen genom tiderna  (Wijkborn, Asea)

Körning och bromsning av spårvagnar

Rusningstrafiken och dess verkningar  (Åström, SS)

Rullande materiel, verkstäder och hallar

Säkerhets- och skyddsfrågor

Förslag till normalprofil, yrkesmässig trafik, trafikskatt, högertrafik

Statistiska uppgifter för 1940 - 1941

Adressförteckning

Svenska Spårvägs-, Buss- och Förortsbaneföreningen. Årsmötet i Hälsingborg den 18 och 19 juni 1943

Årsmötesreferat, protokoll mm

Hälsingborgs Stads Spårvägar 40 år

Psykologiska antagningsprov

Den statliga busstrafiken i Sverige

Spårvägspropaganda i kristid  (Öjarson, SS)

Rullande materiel, verkstäder och hallar  Standardisering av trådbussar

Spår och ledningar  Importrestriktioner, fjäderväxlar vid SS och SSLidJ mm

Anläggningsmetoder för nya Ängbybanan  (Ribbing, SS)

Busstrafiken under kriget och dess framtida utsikter  (Björck, SSnJ)

Några synpunkter på gummifrågan i kristider  (Borgström, Trelleborg)

Styrelseberättelse för 1942, taxa för gods, byggnadstillstånd mm

Statistiska uppgifter för 1941 - 1942

Adressförteckning










Startsidan

 

Sidan uppdaterad den 24 februari 2026